reComputer Industrial R21xx 入門ガイド

Raspberry Pi CM5 を搭載した reComputer Industrial R21xx は、AI 機能を備えた柔軟なエッジ AI コンピュータです。包括的な産業用インターフェース (2x Ethernet、4x USB、2x RS485、2x RS232、2x CAN FD、4x DI、4x DO) と柔軟なワイヤレス接続オプション(4G/5G、LoRa®、Wi‑Fi/BLE)を備えており、さまざまな産業用途に最適です。
reComputer Industrial R21xx シリーズは、産業向け AI アプリケーションに最適です。データ収集とプロセス監視、オートメーションおよびロボット制御、インテリジェント製造、産業用通信およびネットワーキングなどの分野で使用できます。小型、柔軟性、低コスト、プログラマビリティを兼ね備え、オートメーションおよび IoT システムなどを強力にサポートします。
特長
産業グレードの信頼性
- -20°C ~ 60°C の広い温度範囲をサポートするファンレス小型 PC
- ハードウェアウォッチドッグ
- UPS スーパーキャパシタ(オプション)
- 高品質メタルケース、DIN レールおよび壁面取り付けに対応
- 生産ライフタイム:reComputer Industrial R21xx は少なくとも 2030 年 12 月まで生産継続予定
高効率 AI コンピューティング
- Raspberry Pi CM5 搭載
- Broadcom BCM2711 クアッドコア Cortex-A72(ARM v8)64 ビット SoC @ 1.5GHz
- 最大 16GB RAM および 64GB eMMC
- 最大 26 TOPS の Hailo-8 AI アクセラレータ搭載(オプション)
豊富なワイヤレス機能
- オンチップ Wi‑Fi
- オンチップ BLE
- Mini-PCIe:LTE、USB LoRa®
- M.2 KEY-B:4G/5G
豊富なインターフェース
- 2x RS485(アイソレート)、2x RS232(アイソレート)、4x アイソレート DI ポート、4x アイソレート DO ポート
- 1x 10M/100M/1000M Ethernet(PoE PD 対応)
- 1x 10M/100M Ethernet
- 2x HDMI 2.0
- 3x Type-A USB3.0
- 1x Type-A USB2.0
- 1x Type-C USB2.0(OS 更新用 USB コンソール)
- 1x Nano SIM カードスロット
仕様
| パラメータ | 説明 | ||
|---|---|---|---|
| ハードウェア仕様 | |||
| 製品シリーズ | R21xx-12 | R21xx-10 | |
| CPU | Raspberry Pi Compute Module 5、2.4GHz クアッドコア 64 ビット Arm Cortex-A76 | ||
| AI プロセッサ | 1x Hailo-8 M.2 AI アクセラレーション 26TOPS をプレインストール | * | |
| オペレーティングシステム | Raspbian、Debian | ||
| RAM | 2GB/4GB/8GB/16GB | ||
| eMMC | 16GB/32GB/64GB | ||
| システム仕様 | |||
| 電源入力 | DC 9V~36V、2 ピン端子台 | ||
| PoE(受電デバイスとして) | IEEE 802.3at 規格 25.5W PoE | ||
| 電源スイッチ | なし | ||
| 再起動スイッチ | あり | ||
| インターフェース | |||
| Ethernet | 1 x 10/100/1000 Mbps(PoE PD 対応) | ||
| 1 x 10/100 Mbps IEEE 802.3/802.3u | |||
| USB | 3 x USB-A 3.0 ホスト、1 x USB-A 2.0 ホスト | ||
| 1 x USB-C 2.0(OS フラッシュおよびデバッグ用) | |||
| RS485 | 2x RS485(アイソレート) | ||
| RS232 | 2x RS232(アイソレート) | ||
| CAN | 2x CAN(アイソレート) | ||
| DI | 4 x アイソレート DI ポート | ||
| 入力電圧:5~24V DC | |||
| DO | 4 x アイソレート DO ポート | ||
| 出力電圧:60V DC 未満 | |||
| SIM カード | 1x Nano SIM カードスロット | ||
| M.2 スロット | 1x M.2 M-KEY 2280 スロット(NVMe SSD 用); 1x M.2 M-KEY 2280 スロット(AI アクセラレータ用) 1x M.2 NVMe スロット, t, M.2 M-KEY 2280 (1x Hailo-8 M.2 AI アクセラレーション 26TOPS をプレインストール); 1x M.2 B-KEY 3042/3052 スロット(5G/4G LTE 用); | 1x M.2 M-KEY 2280 スロット(NVMe SSD 用); 1x M.2 M-KEY 2280 スロット(AI アクセラレータ用); 1x M.2 B-KEY 3042/3052 スロット(5G/4G LTE 用) 2x M.2 NVMe スロット, t, M.2 M-KEY 2280; 1x M.2 NVMe スロット, t, M.2 B-KEY | |
| Mini-PCIe | 1x Mini-PCIe(LoRa モジュール用) | ||
| LED | 4 x LED インジケータ | ||
| ブザー | 1 | ||
| リセットボタン | 1 | ||
| HDMI | 2 x HDMI 2.0 | ||
| ワイヤレス通信 | |||
| Wi‑Fi 2.4/5.0 GHz | オンチップ Wi‑Fi | ||
| BLE 5.0 | オンチップ BLE | ||
| LoRa® | USB LoRa®/SPI LoRa® | ||
| 4G/5G セルラー | 4G LTE/5G* | ||
| 規格 | |||
| EMC | ESD:EN61000-4-2、レベル 3 | ||
| EFT:EN61000-4-4、レベル 2 | |||
| サージ:EN61000-4-5、レベル 2 | |||
| 認証 | CE、FCC | ||
| TELEC | |||
| RoHS | |||
| REACH | |||
| 周囲環境条件 | |||
| 保護等級 | IP40 | ||
| 動作温度 | -20~65 °C | ||
| 動作湿度 | 10~95% RH | ||
| 保管温度 | -40~85 °C | ||
| その他 | |||
| スーパーキャパシタ UPS | SuperCAP UPS LTC3350 モジュール* | ||
| ハードウェアウォッチドッグ | 1~255s | ||
| RTC | 高精度 RTC | ||
| セキュリティ | 暗号化チップ TPM 2.0* | ||
| ATECC608A | |||
| 放熱 | ファンレス | ||
| 保証 | 2 年 | ||
| 生産ライフタイム | 2036 年 12 月まで | ||
| 注記 | * が付いているオプションは、アクセサリ一覧に従って別途購入が必要です。 | ||
| コンポーネントおよびインターフェース状態の説明 | ||
|---|---|---|
| Reserved | 将来の使用または拡張のために予約されています。 | |
| Optional | 将来の使用または拡張のために指定されています。 | |
| AI Processor | 必須ではないコンポーネントであり、ユーザーは有無を選択できます。 | |
| Occupied | 現在使用中であり、製品機能に不可欠です。 | |
| Included | 標準パッケージに含まれる必須コンポーネントです。 | |

Hailo の紹介
ハードウェアの紹介
Hailo は、エッジデバイス上での高性能ディープラーニングアプリケーション向けに特化した最先端の AI プロセッサを提供しています。同社のソリューションは、高度な AI アクセラレータとビジョンプロセッサにより、エッジにおける次世代の生成 AI をはじめ、認識および映像強調を実現することに重点を置いています。そして Hailo-8 NPU アクセラレータを搭載し 26 TOPs の AI 性能を提供する reComputer_R21xx は、YOLOv8s で 200 FPS 超を達成することが可能です。
ソフトウェア概要

Hailo AI Software Suite は、ハードウェアアクセラレータ上で AI モデルを効率的に実行するための強力なツール群を提供します。既存のディープラーニングフレームワークとシームレスに統合できるよう設計されており、開発者にスムーズなワークフローを提供します。このプロセスでは、まず Model Build Environment で ONNX ファイルから HEF(Hailo Executable Binary File)を生成します。作成された HEF ファイルは推論マシン(Runtime Environment)に転送され、そこで HailoRT API を用いて推論を実行するために使用されます。提供されているスクリプトは、Model Build Environment 内で ONNX ファイルを HEF ファイルへ変換する作業を支援します。
Note: Hailo NPU の使用例についてさらに知りたい場合は、この link をクリックしてください。
ハードウェア概要
システム概要
インターフェース概要

メインボード概要

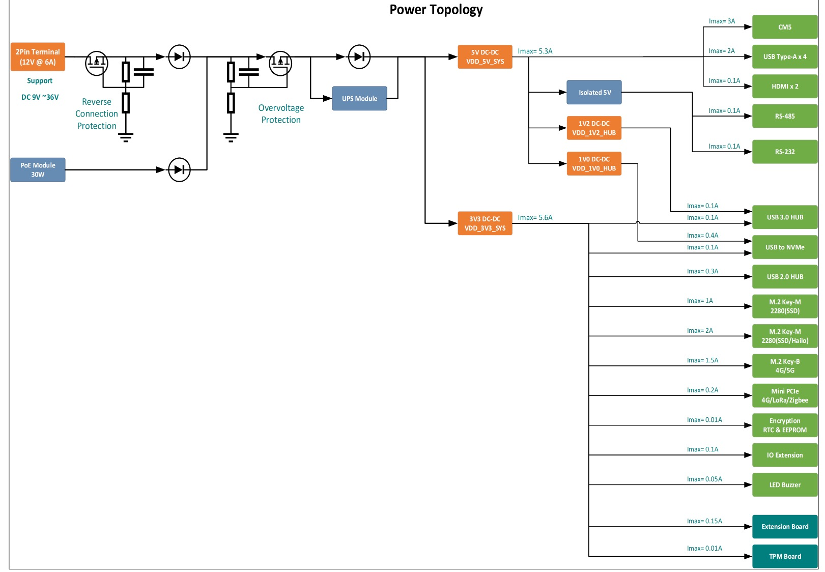
電源回路図

reComputer Industrial R21xx は、DC 端子と PoE ポートの 2 種類の電源供給方式に対応しています。これにより、電源の選択に柔軟性が生まれ、さまざまな電源ソースとの容易な統合が可能になります。
2 ピン電源端子
reComputer Industrial R21xx は、9~36V の端子 DC 電圧で給電されます。電源は 2 ピンの電源端子ブロックコネクタを介して接続します。

reComputer Industrial R21xx をアース接続するには、電源端子の右側にあるネジにアース線を固定します。
PoE
reComputer Industrial R21xx の ETH0(PoE PD) ポートは PoE 給電に対応しており、Ethernet 経由で装置に電源を供給する便利で効率的な方法を提供します。このオプションにより、設置作業が簡素化され、必要な配線の本数も削減されるため、電源が限られている環境やコンセントが容易に利用できない用途に最適なソリューションとなります。
- PoE PD: IEEE 802.3at, 最大 25.5W
Note: reComputer Industrial R21xx に搭載されている PoE モジュールは IEEE 802.3at 規格に準拠しており、最大 25W の電力供給が可能です。そのため、5G や 4G モジュールなど高消費電力の周辺機器を接続する必要がある場合、PoE 給電だけでは十分でない可能性があります。この場合は、装置の安定かつ信頼性の高い動作を確保するために、DC 端子から給電することを推奨します。
消費電力
reComputer Industrial R21xx には標準で電源ボタンが搭載されておらず、電源が接続されると自動的に起動します。シャットダウンする際は、オペレーティングシステム上でシャットダウンオプションを選択し、システムが完全に停止するまで待ってから電源を切ってください。システムを再起動するには、再度電源を接続するだけです。
ブロック図


IIC 図

インターフェース説明
| 種類 | 説明 |
|---|---|
| Ethernet | 1 x 10/100/1000 Mbps(POE PD 対応); 1 x 10/100 Mbps IEEE802.3/802.3u |
| USB | 3 x USB-A 3.0 ホスト ; 1 x USB-C 2.0(OS のフラッシュおよびデバッグ用) |
| RS485 | 2x RS485(絶縁) |
| RS232 | 2x RS232(絶縁) |
| CAN | 2x 絶縁 CAN FD ポート |
| DI | 4 x 絶縁 DI ポート(入力電圧: 5–24V DC) |
| DO | 4 x 絶縁 DO ポート(出力電圧: < 60V DC) |
| HDMI | 2 x HDMI 2.0 |
| LED | 4 x LED インジケータ |
| SIM Card Slot | Nano SIM カード対応 |
| M.2 M-KEY Slot | 1x 2280(M.2 NVMe SSD 用); 1x 2280(AI アクセラレータ用) |
| M.2 B-KEY Slot | 5G/4G LTE 用 1x |
| Buzzer | 1 |
| Reset Button | 1 |
LED インジケータの状態
reComputer Industrial R21xx には 4 つの LED インジケータが搭載されており、装置の動作状態を示します。各 LED の具体的な機能と状態については、以下の表を参照してください。
| Name | Color | Status | Description |
|---|---|---|---|
| PWR | Green | On | 装置が電源に接続されています。 |
| Off | 装置が電源に接続されていません。 | ||
| ACT | Orange | On | Linux では、このピンは eMMC アクセスを示すために点滅します。ブート中にエラーが発生した場合、この LED はエラーのパターンで点滅し、Raspberry Pi のウェブサイトにあるルックアップテーブル(Raspberry Pi Documentation - Configuration)を使用して解読できます。 |
| USER | Green/Red/Blue | ユーザーによって定義する必要があります。 | |
| 4G/5G | Green | On | ダイヤルアップに成功し、接続が正常です。 |
| Off | 4G/5G 信号が接続されていないか、装置の電源が入っていません。 |
ACT ステータス表
| 長い点滅 | 短い点滅 | 状態 |
|---|---|---|
| 0 | 3 | 一般的なブート失敗 |
| 0 | 4 | start*.elf が見つからない |
| 0 | 7 | カーネルイメージが見つからない |
| 0 | 8 | SDRAM 障害 |
| 0 | 9 | SDRAM 不足 |
| 0 | 10 | HALT 状態 |
| 2 | 1 | パーティションが FAT ではない |
| 2 | 2 | パーティションからの読み取りに失敗 |
| 2 | 3 | 拡張パーティションが FAT ではない |
| 2 | 4 | ファイル署名/ハッシュの不一致 - Pi 4 |
| 4 | 4 | 未対応のボードタイプ |
| 4 | 5 | 致命的なファームウェアエラー |
| 4 | 6 | 電源障害タイプ A |
| 4 | 7 | 電源障害タイプ B |
ACT LED が規則的な 4 回点滅パターンで点滅する場合、bootcode(start.elf) を見つけられていません。 ACT LED が不規則なパターンで点滅する場合は、ブートが開始されています。 ACT LED が点滅しない場合、EEPROM コードが破損している可能性があります。何も接続しない状態でもう一度試して確認してください。詳細については Raspberry Pi フォーラムを参照してください。 STICKY: Is your Pi not booting? (The Boot Problems Sticky) - Raspberry Pi Forums. 詳細については、Raspberry Pi forum を参照してください。
USER インジケータ
reComputer Industrial R21xx には USER インジケータが搭載されており、ユーザーは実際のニーズに応じてその状態をカスタマイズできます。
ブザー

reComputer Industrial R21xx にはアクティブブザーが搭載されており、アラームやイベント通知などさまざまな用途に使用できます。reComputer Industrial R21xx のターミナルで次を入力します:
cat /sys/kernel/debug/gpio
このコマンドは、Buzzer_EN に対応する GPIO が gpio627 であることを出力します。
RS485
reComputer Industrial R2100 シリーズ機器には、2 つの RS485 ポートが搭載されており、3.5mm ピッチ 6 ピンのフェニックス端子が使用されています。 単一 RS485 のシルク印刷は「A/B/GND」です。
ピン定義
端子のピン割り当ては次のとおりです。
| 回路図 | ピン ID | ピン名 |
|---|---|---|
![]() | 1 | RS485-3_A |
| 3 | RS485-3_B | |
| 5 | RS485-3_GND | |
| 7 | RS485-4_A | |
| 9 | RS485-4_B | |
| 11 | RS485-4_GND |
ケーブル接続 RS485 配線の回路図は次のとおりです。

注意:製品パッケージには 120 オームの終端抵抗がいくつか含まれています。RS485 で通信する際、必要に応じて使用できます。
RS232
reComputer Industrial R21xx シリーズ機器には、1 つの RS232 ポートが搭載されており、3.5mm ピッチ 6 ピンのフェニックス端子が使用されています。 単一 RS232 のシルク印刷は「TX/RX/GND」です。
ピン定義
端子ピンは次のように定義されています。
| 回路図 | ピン ID | ピン名 |
|---|---|---|
![]() | 2 | RS232-1_TX |
| 4 | RS232-1_RX | |
| 6 | RS232-1_GND | |
| 8 | RS232-2_TX | |
| 10 | RS232-2_RX | |
| 12 | RS232-2_GND |
ケーブル接続 RS232 配線の回路図は次のとおりです。

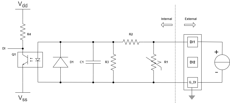
DI (Digital Input)
reComputer Industrial R2000 シリーズ機器には、4 つの DI ポートが搭載されており、3.5mm ピッチ 3 ピンのフェニックス端子が使用されています。 The silkscreen of single DI is "DI/G_DI".
ピン定義
端子ピンは次のように定義されています。
| 回路図 | ピン ID | ピン名 |
|---|---|---|
![]() | 13 | DI1 |
| 15 | DI2 | |
| 17 | DI3 | |
| 19 | DI4 | |
| 21 | G_DI |
ケーブル接続 単一 DI 配線の回路図は次のとおりです。
| 回路図 | パラメータ | 説明 |
|---|---|---|
![]() | 入力タイプ | PNP |
| 絶縁保護 | 5kV | |
| DI から G_DI まで | ON 状態: 5~30 VDC |
Note DI テストの詳細については、セクション link を参照してください。
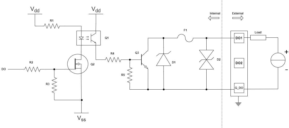
DO (Digital Output)
reComputer Industrial R2000 シリーズ機器には、4 つの DO ポートが搭載されており、3.5mm ピッチ 3 ピンのフェニックス端子が使用されています。 単一 DO のシルク印刷は「DO/G_DO」です。 ピン定義 端子ピンは次のように定義されています。
| 回路図 | ピン ID | ピン名 |
|---|---|---|
![]() | 14 | DO1 |
| 16 | DO2 | |
| 18 | DO3 | |
| 20 | DO4 | |
| 22 | G_DO |
ケーブル接続
単一 DO 配線の回路図は次のとおりです。
| 回路図 | パラメータ | 説明 |
|---|---|---|
![]() | 出力タイプ | トランジスタ |
| 絶縁保護 | 5 kV | |
| 出力 | < 60V DC |
CAN FD
reComputer Industrial R2100 シリーズ機器には、2 つの CAN FD ポートが搭載されており、3.5mm ピッチ 6 ピンのフェニックス端子が使用されています。 単一 CAN FD のシルク印刷は「CANH/CANL/GND」です。 ピン定義 端子ピンは次のように定義されています。
| 回路図 | パラメータ | 説明 |
|---|---|---|
![]() | 23 | CAN-0_H |
| 25 | CAN-0_L | |
| 27 | CAN-0_GND | |
| 24 | CAN-1_GND | |
| 26 | CAN-1_GND | |
| 28 | CAN-1_GND |
ケーブル接続 CAN FD 配線の回路図は次のとおりです。

ブートスイッチ

reComputer Industrial R2000 のブートスイッチは、CM5 の nRPI_BOOT ピンに接続されています。このスイッチにより、ユーザーは eMMC と USB のどちらをブートソースとするかを選択できます。通常モードでは、スイッチを「BOOT」ラベル側から離した位置に設定し、システムを eMMC から起動させます。逆に、システムイメージを書き込む必要がある場合は、スイッチを「BOOT」ラベル側に切り替え、システムを Type-C USB インターフェースから起動させます。
| スイッチ位置 | モード | 説明 | nRPI-BOOT |
|---|---|---|---|
![]() | 通常モード | eMMC から起動 | Low |
![]() | フラッシュモード | USB から起動 | High |
USB


reComputer Industrial R21xx には、1 つの USB Type-C ポートと 4 つの USB Type-A ポートが搭載されています。それぞれの機能と説明については、以下の表を参照してください。
| タイプ区分 | 数量 | プロトコル | 機能 | 説明 |
|---|---|---|---|---|
| Type-C | *1 | USB 2.0 | USB-Device | シリアルポートデバッグ、イメージ書き込みなどに使用します。 |
| Type-A | *1 | USB 2.0 | USB-Host | フラッシュドライブ、USB キーボード、マウスなど、さまざまな USB デバイスを接続します。 |
| Type-A | *3 | USB 3.0 | USB-Host | フラッシュドライブ、USB キーボード、マウスなど、さまざまな USB デバイスを接続します。 |
SIM スロット(内部)
_1.png)
reComputer Industrial R2000 シリーズ機器には内部 Nano SIM カードスロットが搭載されており、Nano SIM カードを装着して 5G/4G 信号を取得するために使用されます。 標準 SIM、Micro SIM、Nano SIM カードのサイズの違いは次のとおりです。
_2.png)
Note
reComputer Industrial R2000 の標準バージョンには 5G/4G モジュールは付属していないことに注意してください。 5G/4G 機能が必要な場合は、別途 5G/4G モジュールを追加購入する必要があります。
M.2 M-KEY スロット


| スロット | 対応プロトコル |
|---|---|
| M.2 M-KEY 2280 | M.2 NVMe SSD |
| M.2 M-KEY 2280 | M.2 AI アクセラレータ |
reComputer Industrial R2000 の M.2 M-KEY 2280 スロットは、容量 128GB、256GB、512GB、1TB、2TB の NVMe M.2 2280 SSD を搭載できるように設計されています。このスロットにより、高速なストレージ拡張が可能となり、システムの性能と容量を向上させることができます。
Note
SSD カードには主に 2 つの用途があります。
- 大容量ストレージ: SSD カードは大容量ストレージ用途に利用できます。
- イメージ入りブートドライブ: もう 1 つの用途は、SSD を大容量ストレージとして使用すると同時にシステムイメージを保存し、SSD カードから直接起動できるようにすることです。
市場に出回っているすべての SSD カードが 2 番目の用途に対応しているわけではないことに注意してください。そのため、ブートドライブとして使用する予定で、どのモデルを購入すべきか不明な場合は、当社推奨の 2TB SSD(SKU 114993467)を選択することをお勧めします。このモデルはブート機能についてテストおよび検証済みであり、互換性問題のリスクを軽減し、試行錯誤にかかるコストを最小限に抑えます。
reComputer Industrial R2000 の M.2 M-KEY 2280 スロットは、PCIE M.2 AI アクセラレータを搭載できるように設計されています。また、R21xx-12 シリーズには最大 26TOPS の Hailo-8 M.2 AI アクセラレータがあらかじめ搭載されています。
Mini-PCIe スロット

reComputer Industrial R2000 の MiniPCIe スロットは、4G LTE や USB LoRaWAN® などのデバイスを搭載できるように設計されています。
リセットホール

reComputer AI Industrial R2135 のリセットホール内には Mini プッシュボタンスイッチが 1 つあります。このボタンを細い物で押すことで、CM4 をリセットできます。このピンが High のときは CM4 が起動していることを示し、このピンを Low にするとモジュールがリセットされます。
M.2 B-KEY スロット
reComputer Industrial R2000 の M.2 B-KEY スロットは、5G/4G LTE を搭載できるように設計されています。

Ethernet RJ45

reComputer R1100 には 2 つの Ethernet ポートが搭載されています。
| 名称 | タイプ | 速度 | PoE PD |
|---|---|---|---|
| ETH0 | CM5 ネイティブ Gigabit Ethernet | 10/100/1000 Mbit/s | 対応 |
| ETH1 | USB から変換 | 10/100 Mbit/s | 非対応 |
reComputer Industrial R2000 には 2 つの Ethernet RJ45 ポートが搭載されています。ETH0 は CM5 ネイティブの Gigabit Ethernet インターフェースで、10/100/1000 Mbit/s の 3 種類の速度に対応しています。このインターフェースを介して PoE(Power over Ethernet)給電を有効にでき、reComputer Industrial R2000 に電力を供給できます。もう一方の ETH1 は USB から変換されたインターフェースで、10/100 Mbit/s に対応しています。
HDMI

reComputer Industrial R2000 は CM5 からのネイティブ HDMI インターフェースを 2 系統備えており、最大 4K @ 60 fps のビデオ出力をサポートします。複数ディスプレイを必要とするアプリケーションに最適で、外部の大型スクリーンにコンテンツを出力できます。
RTC

reComputer Industrial R2000 にはコンデンサで駆動される RTC 回路が搭載されており、電源喪失時でも時刻保持機能を維持することができます。
ウォッチドッグ
reComputer Industrial R2000 には独立したハードウェアウォッチドッグ回路が搭載されており、システムが異常クラッシュした場合に自動的にシステムを再起動します。ウォッチドッグ回路は RTC を通じて実装されており、1 ~ 255 秒の柔軟な給電(フィード)時間を設定できます。
オプションインターフェースおよびモジュール
reComputer Industrial R2000 は豊富な拡張モジュールとアクセサリに対応しており、幅広いシナリオや要件に対応できます。reComputer Industrial R2000 のカスタマイズにご興味がある場合は、詳細について [email protected] までお問い合わせください。 以下はアクセサリおよびオプションモジュールの一覧です。
| 備考 | 項目 | 製品名 | SKU |
|---|---|---|---|
| LoRa®WAN 機能には一緒に使用する必要があります | LoRa® モジュール | 地域別オプション LoRaWAN Gateway Module (USB) - US915 | 114992969 |
| 地域別オプション LoRaWAN Gateway Module(USB)-US915 | 114992629 | ||
| 地域別オプション LoRaWAN Gateway Module(USB)-US915 | 114992991 | ||
| 地域別オプション LoRaWAN Gateway Module(SPI)-EU868 | 114993268 | ||
| 地域別オプション LoRaWAN Gateway Module(SPI)-EU868 | 114992549 | ||
| 地域別オプション LoRaWAN Gateway Module(USB)-EU868 | 114992628 | ||
| LoRa® アンテナ | LoRa Antenna Kit - 868-915 MHz | 110061501 | |
| 4G 機能には 4G モジュールと 4G アンテナを、GPS 機能には 4G モジュールと GPS アンテナを使用 | 4G モジュール | LTE Cat 4 EC25-AFXGA-Mini-PCIe Module - 北米向け | 113991134 |
| LTE Cat 4 EC25-EUXGR-Mini-PCIe Module - EMEA およびタイ向け | 113991135 | ||
| LTE Cat 4 EC25-AUXGR-Mini-PCIe Module - オーストラリア向け | 113991174 | ||
| LTE Cat 4 EC25-EFA-Mini-PCIe Module - タイ向け | 113991214 | ||
| LTE Cat 4 EC25-EMGA-Mini-PCIe Module - マレーシア向け | 113991234 | ||
| LTE Cat 4 EC25-JFA-mini-PCIe | 113991296 | ||
| 4G アンテナ | 4G モジュール用 4G Antenna Kit | 110061502 | |
| GPS アンテナ | EC25 4G モジュール用 GPS Antenna Kit | 110061521 | |
| 暗号化チップ TPM 2.0 | infineon SLB9670 搭載 TPM 2.0 Module | 114993114 | |
| SSD カード | NVMe M.2 2280 SSD 2TB | 114993467 | |
| NVMe M.2 2280 SSD 1TB | 114993467 | ||
| 512GB NVMe M.2 PCle Gen3x4 2280 Internal SSD | 112990247 | ||
| 256GB NVMe M.2 PCle Gen3x4 2280 Internal SSD | 112990246 | ||
| 128GB NVMe M.2 PCle Gen3x4 2280 Internal SSD | 112990226 | ||
| このモジュールは reComputer Industrial R21xx のキャリアボードに半田付けする必要があります | PoE | reTerminal DM 用 MQ7813T120 PoE Module Kit | 110991925 |
| UPS | SuperCAP UPS LTC3350 Module | 110992004 |
reComputer Industrial R21xx メインボードには 2 つの Mini-PCIe スロットがあります。Mini-PCIe スロット 1 は USB プロトコルを使用する 4G モジュールおよび LoRa® モジュールをサポートし、Mini-PCIe スロット 2 は USB および SPI プロトコルを使用する LoRa® モジュールをサポートします。さらに、4G モジュールと LoRa® モジュールは同時に使用すべきではなく、基板上に 2 つの LoRa® モジュールを挿すことはできません。
Note 基板上に 2 つの LoRa® モジュールを挿すことはできません。
Wi-Fi/BLE
reComputer Industrial R21xx は、オンボード Wi-Fi/BLE バージョンを備えた CM5 によって駆動されており、CM5 と同じ Wi-Fi/BLE パラメータを提供します。詳細なパラメータ情報については、Raspberry Pi 公式サイトを参照してください。
4G モジュール
reComputer Industrial R21xx メインボードには M.2 B-KEY スロットが 1 つと Mini-PCIe スロットが 1 つ搭載されており、M.2 B-KEY スロットと Mini-PCIe スロットの両方が 4G モジュールをサポートします。Quectel 社の EC25 4G モジュールは、reComputer Industrial R21xx との互換性が十分にテストされています。
5G モジュール
reComputer Industrial R21xx メインボードには M.2 B-KEY スロットが 1 つ搭載されており、USB プロトコルを使用する 4G/5G モジュールをサポートします。Quectel 社の EC25 4G モジュールは、reComputer Industrial R21xx との互換性が完全にテストされています。
Note 4G/5G 機能が必要な場合は、対応する 4G モジュールと外付けアンテナを購入し、4.5 章「4G/LoRa® モジュールとアンテナの組み立て」の手順に従う必要があることに注意してください。
LoRa® モジュール
Mini-PCIe スロットは、USB および SPI プロトコルを使用する LoRa® モジュールをサポートします。Seeed Studio の WM1302 モジュールは、reComputer Industrial R2000 との互換性が完全にテストされています。
Note LoRa® 機能が必要な場合は、対応する LoRa® モジュールと外付けアンテナを購入し、4.5 章「4G/LoRa® モジュールとアンテナの組み立て」の手順に従う必要があることに注意してください。
SSD
reComputer Industrial R2000 は、PCIe スロット(J7)を使用して 2280 NVMe SSD をサポートします。CM5 の PCIe は Gen2.0 であり、理論上の最大速度は 5Gbps であることに注意することが重要です。Gen3.0 以上の SSD を使用する場合、SSD の最大速度を発揮できない可能性があります。テストの結果、SSD を搭載した reTerminal DM は、最大書き込み速度 230MB/s、最大読み出し速度 370MB/s を達成できます。どの SSD が互換性があるか不明な場合は、以下のアクセサリ一覧に従って購入することができます。
Note 次の点に注意してください: 速度テストの結果は、SSD のモデル、テスト方法、およびテスト環境によって異なる場合があります。ここで示す値は Seeed のラボで取得した参考値です。
Note SSD カードには主に 2 つの用途があります:
- 大容量ストレージ: SSD カードは大容量ストレージ用途に利用できます。
- イメージを格納したブートドライブ: もう 1 つの用途は、SSD を大容量ストレージとして使用すると同時にシステムイメージを保存し、SSD カードから直接起動できるようにすることです。 市場に出回っているすべての SSD カードが 2 つ目の用途をサポートしているわけではないことに注意が必要です。そのため、ブートドライブとして使用する予定で、どのモデルを購入すべきか分からない場合は、当社推奨の 1TB SSD(SKU 112990267)を選択することをお勧めします。このモデルはブート機能についてテストおよび検証済みであり、互換性問題のリスクを軽減し、試行錯誤にかかるコストを最小限に抑えます。
暗号化チップ TPM 2.0
TPM には Infineon の OPTIGA™ TPM SLB9670 が採用されており、Trusted Computing Group(TCG)TPM 2.0 仕様に準拠しているため、reComputer Industrial R2000 用の暗号化チップとして推奨されます。このチップはボード上のポート J26 に適用される SPI インターフェースを備えており、プラットフォームの完全性のためのルート・オブ・トラスト、リモート認証、および暗号サービスを有効にします。
UPS(無停電電源装置)モジュール

UPS は 7F で、直列で動作します。UPS モジュールは DC5V と CM5 コンポーネントの間に配置されており、5V 電源からの電力喪失時に CPU に警告するための GPIO 信号が使用されます。CPU はこの信号を受信すると、スーパーキャパシタのエネルギーが枯渇する前に緊急スクリプトを実行し、「$ shutdown」コマンドを実行します。 UPS によって提供されるバックアップ時間は、システム負荷に大きく依存します。以下は、4GB RAM、32GB eMMC ストレージ、および Wi-Fi モジュールを備えた CM5 モジュールでテストされた代表的なシナリオです。
| 動作モード | 時間(s) | 備考 |
|---|---|---|
| アイドル | 15 | 公式ドライバプログラムをロードしたアイドル状態でのテスト |
| CPU フルロード | 6 | stress -c 4 -t 10m -v & |
UPS 機能については、詳細情報を入手するためにお問い合わせください。アラーム信号はアクティブ Low です。
追加リソース
リソース
技術サポート & 製品ディスカッション
当社製品をお選びいただきありがとうございます。お客様が当社製品をできるだけスムーズにご利用いただけるよう、さまざまなサポートを提供しています。お好みやニーズに応じて選択いただけるよう、複数のコミュニケーションチャネルを用意しています。








